VD84 - Kompakt-Vakuummeter / Datenlogger
Verpackungseinheit: 1 Stück
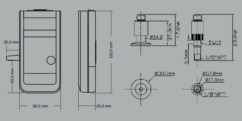
Das digitale Pirani-Vakuummeter VD84 mit externem, absteckbarem Sensorkopf misst Absolutdruck im Feinvakuumbereich.
Das Gerät besitzt eine USB Schnittstelle und einen internen Datenspeicher für bis zu 2000 Messwerte.
Der Betrieb mit Batterie oder Steckernetzteil (nicht im Lieferumfang) ermöglicht sowohl mobilen als auch stationären Einsatz.
Typische Anwendungen:
- • Überwachung von Vakuumisolationen
- • Evakuieren von Brems- und Klimaanlagen
- • Überprüfung und Setup von Vakuumanlagen
- • Betriebskontrolle und Dokumentation bei Drehschieberpumpen
- • Wartung und Service
- • Modernes Lehrmittel mit PCSchnittstelle
- • Graphische Darstellung von Abpumpkurven
- • Lecktests
- • Vakuumzentrifugen
- • Beschichtungsanlagen
- • Vakuumtrocknung
| TECHNISCHE DATEN | VD84 |
| Kompakt-Vakuummeter / Datenlogger | |
| Messprinzip | Pirani, gasartabhängig |
| Medienberührendes Material | Edelstahl 1.4305, Wolfram, Nickel, Glas |
| Messbereich | 100 - 1 x 10-3 mbar (75 - 1 x 10-3 Torr), zulässige Überlast 4 bar absolut |
| Auflösung | 2stellig plus Exponent |
| Genauigkeit | 100 - 20 mbar: < ±30 % vom Messwert 20 - 1 x 10-2 mbar: < ±10 % vom Messwert < 1 x 10-2 mbar: < Faktor 2 |
| Messzyklus | 1,0 s |
| Speicherrate | 0,1...999 s |
| Umgebungstemperatur | +5...+50°C |
| Lagertemperatur | -20...+60°C |
| Spannungsversorgung | 9V Blockbatterie (alt. NiCd-Akku) oder 15 VDC extern |
| Leistungsaufnahme | Ca. 110 mW |
| Betriebsdauer | Max. 100 h mit 9V Lithium Batterie, max. 40 h mit 9V Alkali-Mangan Batterie |
| Elektrischer Anschluss | Klinkenbuchse für externes Netzteil |
| Vakuumanschluss | Edelstahlkleinflansch DN 16 ISO-KF |
| Schutzart | IP40 |
| Anzeige | LCD 12mm |
| Gewicht | Ca. 200 g (inkl. Batterie) |
Lieferzeit: 5 bis 10 Werktage
| Spezifikation | Gewicht | Anschluss | Menge | EP/VE | Bestell-Nr: | Preis € / Netto | Preis € / Brutto* | Angebot |
|---|---|---|---|---|---|---|---|---|
| VD84/1 | 200 gr | Kleinflansch DN 16 ISO-KF | 1 | Stück | MG930042 | 555,00** | 660,45** | |
| VD84/2 | 200 gr | 1/8" NPT-Gewinde | 1 | Stück | MG930043 | 555,00** | 660,45** |
| Spezifikation | VD84/1 |
|---|---|
| Gewicht | 200 gr |
| Anschluss | Kleinflansch DN 16 ISO-KF |
| Menge | 1 |
| EP/VE | Stück |
| Bestell-Nr: | MG930042 |
| Preis € / Netto | 555,00** |
| Preis € / Brutto* | 660,45** |
| Spezifikation | VD84/2 |
|---|---|
| Gewicht | 200 gr |
| Anschluss | 1/8" NPT-Gewinde |
| Menge | 1 |
| EP/VE | Stück |
| Bestell-Nr: | MG930043 |
| Preis € / Netto | 555,00** |
| Preis € / Brutto* | 660,45** |
- Alle Preise nur gültig bei Bestellungen im Online-Shop. Bei Bestellungen außerhalb dieses Onlinehandels entstehen administrative Bearbeitungsgebühren!
- * = Bruttopreisangaben inkl. 19.00% gesetzlicher Mehrwertsteuer
- ** = zzgl. Versandkosten
- Lieferung: Sperrgutversand
- Lieferzeiten können abweichen.
- Abbildungen zu den Artikel können abweichen.
- Wir berechnen unter 100,00 € Warenwert zusätzlich einen Mindermengenzuschlag von 30,00 €.
- Artikel in Spezifikationen müssen keine Originalteile sein.
- Artikel in den Warenkorb legen
- Artikel der Merkliste hinzufügen (nur wenn eingeloggt)
- Artikel befindet sich bereits im Warenkorb und/oder auf Merkliste





